Teac | [리뷰] 티악 올인원 네트워크 인티앰프 NR-7CD
관련링크
본문
과거에 비해 훨씬 더 높은 가격에 거래되며 오버홀을 통해 마치 새것처럼 만들어 소장하며 당시의 인터페이스와 음질을 즐기는 일은 무척 즐겁다. 아날로그 튜너가 내장되어 있으며 앰프는 두텁고 풍부한 중저역 덕분에 JBL의 구형 스피커와 좋은 궁합을 이룬다. 특히 모두 잠든 새벽 녹턴형 리시버의 불빛들은 이루 말할 수 없는 감흥을 준다.
매킨토시가 서슬 퍼런 눈동자를 가지고 있다면 티악은 노란 눈을 예쁘게 뜨고 있다. 밝기를 세 단계로 조절 및 완전히 끌 수도 있다. 마치 70년대 빈티지 리시버의 그것을 처음 마주쳤을 때의 설렘이 느껴져 정겹기 그지없다. 이 제품의 정확한 모델명은 티악 NR-7CD, 티악의 전통과 감성을 되살린 ‘뉴 빈티지(New Vintage)’ 캐치프레이즈를 정확히 재현하고 있다.
티악 NR-7CD는 일체형으로 그야말로 다재 다능 올-인원 레퍼런스 기기로 손색이 없다. 기본적으로 인티앰프이면서 내부에 CD 플레이어 및 네트워크 플레이어, 블루투스 기능 등 다양한 기능을 모두 흡수했다. 많은 사람들이 올-인원에 대한 편견을 갖고 있다. 복합기는 어느 정도 음질적인 면에서 타협이 불가능하며 따라서 편리한 기능 외에 음질에 대한 기대는 크게 하지 않는 편이 좋다는 것. 그러나 최근 드비알레나 에이프릴 뮤직의 오라노트V2 등을 들어본다면 그런 생각은 편견에 지나지 않다는 걸 금세 알 수 있다.
뿐만 아니라 여러 메이커들이 보다 높은 고성능 올-인원 제품을 개발하는 데 열을 올리고 있어 앞으로도 하이엔드급 올-인원 오디오의 성장은 계속될 것으로 보인다. 티악 NR-7CD를 처음 보았을 때 단지 기능을 앞세운 올-인원 제품이 아닐까 하는 의심이 든 것이 사실이다. 하지만 NR-7CD는 빈티지 리시버의 멋을 살린 디자인과 달리 내부 설계를 볼 때 만만치 않은 고음질 전용 올-인원 제품이다.
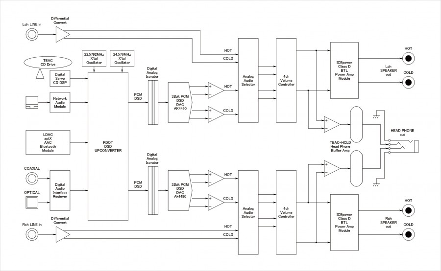
앰프 부문을 살펴보면 아이스파워(ICEpower)를 적극 활용한 모습이다. 최근 많은 D클래스 앰프들이 출시되고 있으나 레퍼런스급 앰프에는 여지없이 사용되는 ICEpower다. B&O가 만들어낸 출중한 D클래스 앰프로 제프 롤랜드가 사용하면서 현재 가장 뛰어난 D클래스 증폭 모듈로서 입지가 견고하다.
티악 NR-7CD에는 좌/우 채널에 각각 50ASX2를 1개씩 투입, BTL 설계를 통해 4옴 기준 채널당 140W 출력을 만들어냈다. 아날로그 입력, 출력단에 이르는 회로는 모두 풀 밸런스 타입이며 좌/우 채널을 완전히 분리한 듀얼 모노 스타일 설계로 채널간 간섭이나 신호 순도 유지를 위해 최선을 다한 모습이다. 또한 디지털 부문과 앰프 부문의 상호 간섭을 배제하기 위해 2층 구조의 PCB 보드를 설계했다. 더불어 고강도 섀시를 사용하여 진동 및 전기적 간섭을 최소화한 모습이다. 올-인원의 음질적 단점을 최소화하기 위한 설계는 매우 영민해 보인다.
볼륨의 경우 매우 견고한 정밀 볼 베어링을 채용하는 한편 볼륨 노브도 플라스틱이 아니라 고강도 알루미늄을 절삭 가공한 모습이다. 볼륨 설계는 볼륨에 따른 소리 왜곡을 최소화하기 위해 티악의 전매 특허 같은 TEAC-OVCS를 채용하고 있다. 이는 좌/우 채널의 +/- 신호를 여러 래더 저항으로 연동시키는 방식이다.
티악 NR-7CD는 매우 다양한 디지털 포맷에 대응한다. 기본적으로 CD 메커니즘에서 읽어낸 16bit/44.1kHz 디지털 신호는 물론이며 네트워크 상에 있는 음원 신호 그리고 블루투스 aptX 인터페이스를 통해 입력되는 신호가 있다. 블루투스 같은 경우 고성능 퀄콤 aptX 모듈을 사용하고 있으며 특히 LDAC 코텍에 대응해 기본 블루투스에 비해서도 최대 3배 규모의 정보를 무선으로 전송할 수 있어 음질적으로 매우 유리하다. 이 외에도 후면에 마련된 동축과 광 디지털 입력단을 활용할 수도 있으며 후면 USB에 USB 저장장치를 연결하여 저장된 음원을 바로 재생할 수 있다.
신호가 입력되면 44.1kHz/48kHz에 각각 대응하는 2개의 마스터 클럭의 통제하게 티악 고유의 업컨버팅 회로를 거친다. 이를 티악에서는 RDOT-NEO라고 부르는데 일종의 FPGA(Field Programmable Gate Array)라고 할 수 있다. 이는 통해 PCM 신호의 경우 2, 4, 8배까지 업컨버팅이 가능하며, 또한 DSD 11.2Mhz(12.2Mhz)까지 업컨버팅 할 수 있다.
업컨버팅 이후 출력된 디지털 신호는 D/A 컨버팅 과정을 거친다. 칩셋이 궁금할 터인데 티악은 여기에서도 승부수를 던졌다. NR-7CD에 적용한 DAC 칩셋은 다름 아닌 아사히전자의 최상위 레퍼런스 칩셋 AK4490EQ이다. 이것은 ESS의 ES9038Pro와 함께 현존하는 최상위 칩셋 중 하나다. 예를 들어 수천 만원 대 네트워크 플레이어인 린 클라이맥스 DS3에 탑재된 DAC가 바로 AK4490EQ이다. 이 DAC는 32bit/768kHz 까지 대응하며 DSD1024까지 대응하는 고스펙 DAC칩셋으로 FLAC, Apple Lossless, WAV, AIFF, MP3, AAC 는 물론 DSF, DSDIFF 등 거의 대응하지 못하는 포맷이 없다.

이번 티악 제품에서 또 하나 반가운 부분은 7시리즈를 위한 새로운 전용 앱 ‘TEAC HR Streamer’의 등장이다. 이는 방계회사 에소테릭에서 사용하던 루민 앱 베이스의 변형으로 보이는데 매우 뛰어난 인터페이스와 편의성을 내세우고 있다. 덕분에 과거 티악의 다소 밋밋한 디자인과 인터페이스에서 벗어나 훨씬 더 쾌적하고 빠르며 편리한 기능 컨트롤이 가능해졌다. 한편 코브즈(Qobuz) 및 타이달(TIDAL) 같은 온라인 스트리밍 서비스에도 대응하고 있어 확장성 측면에서도 장점이 많다. 현재 아이폰, 아이패드 등 애플의 iOS 기기 전용이지만, 향후 안드로이드 디바이스를 위한 앱도 선보일 예정이다.

일단 티악 NR-7CD는 기존 3, 5시리즈와는 완전히 다른 소리와 트랜지언트 응답 특성을 보인다. 증폭 모듈 자체의 영향이 지배적이라고 할 수 있다. 예를 들어 헤일리 로렌의 ‘Taking a chance on love’에서 보여주는 음상은 매우 중립적이며 음장이 선명하고 전보다 음의 외곽 경계가 뚜렷하게 드러난다. 헤일리 로렌의 목소리 톤에서 더욱 생생한 날 것의 느낌이 전해진다. 보컬 외에 더블 베이스와 피아노 타건의 느낌도 에너지가 강력하게 실려 있어 활력이 넘친다. 하위 제품들에서 보여주었던 탁월한 대역 밸런스는 그대로이지만 저역이 무르지 않고 전반적으로 드리웠던 표면 레이어링이 한 꺼풀 벗겨진 듯 한 쿨&클리어 사운드다.

D클래스, 특히 B&O ICEpower 모듈을 사용할 경우 드러나는 단단한 표면 질감 및 똑 부러지는 다이내믹스 표현 특성이 짙게 묻어난다. 예를 들어 알란 파슨스 프로젝트의 ‘Games people play’를 USB 메모리를 통해 들어보자. 빠른 트랜지언트 응답 특성 덕분에 소리의 시작과 멈춤이 명료하며 군더더기가 없다. 배음 특성에서도 잔상을 남기지 않고 말끔하며 응집력 있는 소리를 뽑아낸다. 배음이 풍부하진 않고 대신 기음 위주의 다이내믹한 사운드이기 때문에 알란 파슨스의 이런 곡에서 리듬감이 더 빠르고 강력하게 들려온다. 굼뜬 인상이 없으며 앞으로 추진하려는 힘이 충분히 실려 있다.

마르타 아르헤리치의 브람스 피아노 사중주에서 음색 특성을 좀 더 살펴볼 필요가 있다. 재차 확인할 수 있으나 티악 NR-7CD 가 CM10 S2를 통해 펼쳐 보이는 소리의 표면엔 따스한 온기보다는 쿨&클리어 사운드가 지배적이다. 음의 진행은 다소 빠른 편이며 무대가 약간 전면으로 돌출되어 호소력 짙게 연주하는 느낌이다. 바이올린 등 현악의 표면 질감은 단단하며 맺고 끊는 느낌이 강하다. 무척 활력이 넘치며 역동적인 느낌이 지배적이다. 피아노 타건은 짧은 서스테인 구간을 중심으로 아주 짧은 순간, 순간의 펀치력이 번뜩인다. 동선 계열의 스피커 케이블을 사용하면 좀 더 음악적 뉘앙스가 살아날 것으로 보인다.

[Tutti] 샘플러 및 몇몇 테스트 음악을 CD로 재생해보면 여타 디지털 음원보다 대게는 더 뛰어난 음질을 들을 수 있다. 특히 업컨버팅 기능은 레코딩에 따라 매우 요긴하게 사용할 수 있다. 대게 좀 더 순화되고 섬세한 방향으로 변형되는 모습을 확인할 수 있다. [Tutti] 중 ‘Dance of the tumblers’에서 보여주는 음조는 좀 더 가라앉은 차분함이 두드러진다. 전체적인 대역 밸런스도 균형감 있고 자연스럽다. 무대의 전/후 깊이는 아주 미세한 레이어링은 아니지만 제법 깊고 뚜렷한 원근감을 보여준다. 마이크로 다이내믹스보다는 커다란 레벨의 매크로 다이내믹스가 강조된 소리다. 소형 북셀프에서 크지 않은 플로어스탠딩까지 약간 높은 능률을 가진 스피커들에 자연스럽게 어울려 심플한 시스템을 꾸리기에 제격이다.

지원 디스크: CD, CD-R, CD-RW (12cm, 8cm)
샘플링 주파수: 44.1kHz
양자화 비트: 16bit
동축 디지털(Coaxial): RCA 단자 x 1 (0.5Vp-p / 75Ω)
DSD 오디오 포맷(DoP): 2.8MHz
리니어 PCM: 32 ~ 192kHz, 16bit ~ 24bit
이더넷(LAN): 1000BASE-T
USB: USB Type-A (Class 2.0 준수)
USB 지원기기: USB 플래시 메모리, USB 하드디스크 (단일 파티션 FAT32, NTFS)
DSD 오디오 포맷: 2.8MHz / 5.6MHz
파일포맷: DSF, DSDIFF(DFF), FLAC, Apple Loseless(ALAC), WAV, AIFF, MP3, AAC(m4a 컨테이너)
단자: RCA 단자 x 1
최대 출력: 140W + 140W(THD 10%, 1kHz, 4Ω), 90W + 90W(THD 10%, 1kHz, 8Ω)
전 고조파 왜율: 0.008% (1kHz, 8Ω, 50W)
S/N 비: Line IN 100dB (IHF-A / LPF 20kHz, 1kHz, 2V)
주파수 특성: 5Hz ~ 100kHz, +1 / -3dB
단자: 3.5mm 스테레오 미니 잭 x 1, (4극 그랜드 세퍼레이트 연결 가능)
소비전력: 120W (대기 시 0.5W 이하)
무게: 13.4kg
관련상품
관련상품
-
6,000,000
댓글목록
등록된 댓글이 없습니다.
